S64DB-12-135
  • S64DB-12-135 S64DB-12-135

S64DB-12-135

Model:S64DB-12-135

HCIC S64DB-12-135 hydraulische cilinders: premium, aanpasbare opties voor wereldwijde industriële kopers. Betrouwbare specificaties, stabiele prestaties, directe fabrieksovereenkomsten - ideaal voor inkoop in de bouw, mijnbouw en landbouw.

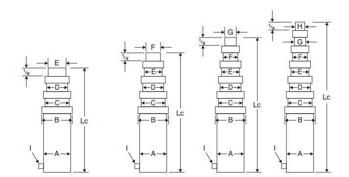
  • Number Stages:

    4
  • Nominal Stage OD:

    6
  • Stroke:

    135
  • Closed:

    47.19
  • Open:

    182.19
  • Pin:

    1.75
  • Width:

    8

Stuur onderzoek

Productomschrijving

Voor kopers van industriële apparatuur. Dit is HCIC S64DB-12-135 cilinderinformatie. Kernspecificaties, bouwkwaliteit, waar te gebruiken, aangepaste services. Allemaal praktisch. Geen pluis.


customizable hydraulic cylinders


parker multi-stage hydraulic cylinders


I. Kernspecificaties: geschikt voor de meeste installatietaken


HCIC S64DB-12-135 = standaardontwerp. Werkt voor de meeste industriële machines. Stroomoverdracht, installatie: geen problemen.


• Structurele afmetingen:Buitendiameter 6. 4 trappen. Slag 135. Gesloten lengte 47.19. Uitgeschoven lengte 182.19. Compact. Past op standaard machinemontagesleuven.

• Montagecompatibiliteit:Pingrootte 1,75 / 1,5. Komt overeen met breedtes 8 / 2,69. Las, scharnier – beide werken. De meeste machines hebben nul mods nodig.

• Basisprestaties:Standaard industriële afdichting. Werkt non-stop onder normale omstandigheden. Voldoet aan de gebruikelijke hydraulische druknormen.


heavy-duty hydraulic cylinders


II. Bouwkwaliteit: betrouwbaar, geen storingen


Wij controleren elke stap. Van grondstoffen tot verzending. Geen snelkoppelingen. Gewoon constante kwaliteit.


(1). Grondstoffen:Vat = 45 # naadloze stalen buis. Zuigerstang = gedoofd + verchroomd. Bestand tegen slijtage, bestand tegen roest. Goed voor regulier industrieel gebruik.

(2). Verwerking en montage:Cilinderbinnenwand = glad geslepen. Zuiger beweegt zonder vast te zitten. Industriële afdichtingen = minder olielekkage.

(3). Kwaliteitscontrole:Elke cilinder doorstaat 3 tests. Druktest. Beroerte test. Afdichtingstest. Wij bewaren alle testgegevens. Alleen doorgeven = verzenden.

dump hydraulic cylinder

III. Toepassingsscenario's: Werkt voor alle soorten uitrusting


S64DB-cilinders passen op veel industriële gebieden. Solide krachtonderdelen voor machines.


• Bouwmachines:Graafmachines, laders. Geschikt voor giek- en bakaandrijvingen. Handgrepen heffen, telescoop, draaien. Goed voor dagelijks bouwwerk.

• Metallurgie en mijnbouw:Ovenaanpassingen, toevoercontrole van de breker. Werkt in moeilijke omgevingen. Voldoet aan de basisveldvereisten.

• Landbouwmachines:Zaaimachines, oogstmachines. Past de zaaidiepte aan, tilt de maaiborden op. Maakt de landbouw efficiënter.

• Speciale uitrusting:Parameters aanpassen. Geschikt voor hoogwerkers en afvalpersen. Basis stroomondersteuning – klaar.


IV.Veelgestelde vragen

Praktische antwoorden op uw vragen over de HCIC S64DB-12-135 hydraulische cilinder, inclusief specificaties, compatibiliteit, kwaliteit en maatwerk.

📏 Kernspecificaties en compatibiliteit

Vraag: Past de HCIC S64DB-12-135-cilinder zonder aanpassingen op mijn standaard industriële machine?

EEN: Absoluut. De HCIC S64DB-12-135 is een standaard ontworpen hydraulische cilinder met compacte structurele afmetingen (buitendiameter 6, gesloten lengte 47,19, uitgeschoven lengte 182,19) en compatibele penmaten (1,75 / 1,5) en breedtes (8 / 2,69). Hij past op de meeste standaard machinemontagesleuven en op zowel las- als scharniermontagewerkzaamheden. De meeste industriële machines hebben geen modificaties nodig om hem te installeren voor stroomoverdracht of andere taken.

Vraag: Wat zijn de belangrijkste structurele en prestatiespecificaties van de HCIC S64DB-12-135-cilinder?

A: De HCIC S64DB-12-135 heeft 4 fasen, een slag van 135 inch, een gesloten lengte van 47,19 inch en een uitgeschoven lengte van 182,19 inch. Het maakt gebruik van standaard industriële afdichtingen, draait non-stop onder normale industriële omstandigheden en voldoet aan de gebruikelijke normen voor hydraulische druk. Het compacte ontwerp maakt hem ideaal voor krappe montageruimtes op de meeste industriële machines.

Vraag: Welke montageopties zijn beschikbaar voor de HCIC S64DB-12-135-cilinder?

A: Deze cilinder ondersteunt twee veelgebruikte industriële montagemethoden: lassen en scharnieren. Het wordt geleverd met compatibele pinformaten (1,75 en 1,5) en komt overeen met standaard machinebreedtes (8 en 2,69), zodat u het kunt installeren op de manier die het beste bij uw apparatuur past – voor de meeste machines zijn geen aangepaste montageadapters nodig.

Vraag: Kan de HCIC S64DB-12-135-cilinder continu non-stop industrieel gebruik aan?

EEN: Ja. Hij is gebouwd met standaard industriële afdichtingen en voldoet aan de gebruikelijke normen voor hydraulische druk, waardoor hij onder normale industriële omstandigheden non-stop kan werken. De geslepen gladde binnenwand van de cilinder zorgt ervoor dat de zuiger beweegt zonder vast te lopen, en de hoogwaardige materialen zijn bestand tegen slijtage – perfect voor dagelijks continu gebruik op bouw-, landbouw- of metallurgische machines.

⚙️ Bouw kwaliteits- en toepassingsscenario's

Vraag: Welke materialen worden gebruikt om de HCIC S64DB-12-135-cilinder te maken, en hoe duurzaam is deze?

A: De cilindercilinder is gemaakt van 45 # naadloze stalen buizen en de zuigerstang is gedoofd en verchroomd - deze combinatie is bestand tegen slijtage en roest, perfect voor regelmatig industrieel gebruik. De binnenwand is glad geslepen om te voorkomen dat de zuiger vast blijft zitten, en de industriële afdichtingen verminderen olielekkage – dit alles zorgt voor langdurige, betrouwbare prestaties zonder onverwachte defecten.

Vraag: Welke kwaliteitstests doorstaat de HCIC S64DB-12-135-cilinder vóór verzending?

A: Elke afzonderlijke HCIC S64DB-12-135-cilinder doorstaat 3 rigoureuze tests voordat we deze verzenden: een druktest (om te voldoen aan de hydraulische normen), een slagtest (om een ​​soepele beweging te garanderen) en een afdichtingstest (om olielekkage te voorkomen). We bewaren alle testgegevens voor toekomstig gebruik, en we verzenden nooit een cilinder die niet aan alle drie de tests voldoet – geen kortere weg, alleen consistente kwaliteit.

Vraag: Voor welke industriële velden en machines is de HCIC S64DB-12-135-cilinder geschikt?

A: Deze cilinder is veelzijdig en past op veel industriële gebieden. Het werkt voor bouwmachines (graafmachines, laders voor giek-/bakaandrijvingen), metallurgische en mijnbouwapparatuur (ovenaanpassingen, brekertoevoercontrole), landbouwmachines (zaaimachines, oogstmachines voor aanpassing van de zaaidiepte) en speciale apparatuur (hoogwerkers, afvalpersen) – het is een solide krachtonderdeel voor alle soorten uitrusting.

Vraag: Kan de HCIC S64DB-12-135-cilinder goed presteren in zware mijnbouw- of metallurgische omgevingen?

EEN: Ja. De gedoofde en verchroomde zuigerstang is bestand tegen roest en slijtage, en de 45# naadloze stalen loop is sterk genoeg om de zware omstandigheden van mijnbouw- en metallurgische locaties aan te kunnen. Het is ontworpen voor ovenaanpassingen en controle van de toevoer van brekers, en voldoet aan de basisvereisten in het veld. U hoeft zich geen zorgen te maken dat het defect raakt wanneer u het het meest nodig heeft.

🛡️ Maatwerk- en samenwerkingsvoordelen

Vraag: Kan ik de HCIC S64DB-12-135-cilinder aanpassen aan mijn speciale uitrustingsbehoeften?

EEN: Absoluut. Als de standaard HCIC S64DB-12-135 niet helemaal geschikt is voor uw machine, bieden wij hydraulische oplossingen op maat. We kunnen de structuur, slag, montagestijl en afdichtingen aanpassen op basis van uw specifieke behoeften. Werk gewoon 1-op-1 met ons technische team om de omgeving, de stroombehoeften en de montageruimte van uw machine te bevestigen, en we creëren een oplossing op maat voor u.

Vraag: Wat is de procedure voor het verkrijgen van een aangepaste versie van de HCIC S64DB-12-135-cilinder?

A: Het aangepaste proces is eenvoudig: 1) Eerst chat ons technische team één-op-één met u om uw behoeften te bevestigen en een duidelijk behoeftendocument op te stellen. 2) Vervolgens passen we de specificaties van de cilinder aan en sturen we u tekeningen ter bevestiging. 3) Zodra u akkoord gaat, produceren wij het (wie het eerst komt, het eerst maalt) en verzenden we het via de door u gewenste methode (zee-/luchtvracht voor wereldwijde klanten). 4) Ten slotte bieden wij after-sales ondersteuning voor installatie en gebruik.

Vraag: Welke voordelen krijg ik als ik de HCIC S64DB-12-135-cilinder rechtstreeks bij uw fabriek bestel?

A: Rechtstreeks bestellen bij onze HCIC-fabriek heeft twee grote voordelen: ten eerste prijsvoordeel – geen tussenpersonen, dus u bespaart kosten, en bulkbestellingen krijgen betere kortingen. Ten tweede, ondersteuning voor de buitenlandse handel: we bieden meertalige documenten, tips voor douanecodes en hulp bij aangiftepapieren, zodat grensoverschrijdend kopen soepel verloopt. We bieden ook standaardgarantie en gratis reparatie/onderdelen voor niet-menselijke schade.




V. Aangepaste services: maak cilinders op uw manier


Speciale behoeften? We hebben een eenvoudig proces. Hydraulische oplossingen op maat voor u.


(1). Behoefte aan gesprek:Ons technische team chat 1-op-1. Controleer de omgeving van uw machine, de stroombehoeften en de montageruimte. Geef u een duidelijk behoeftendocument.

(2). Ontwerpfase:Pas structuur, slag, montage, afdichtingen aan. Gebaseerd op uw behoeften. Stuur u tekeningen om te bevestigen.

(3). Productie en levering:Aangepaste bestellingen = wie het eerst komt, het eerst maalt. Reguliere maatwerkmodellen = standaard levertijd. Zee-/luchtvracht voor wereldwijde klanten.

(4). Ondersteuning na verkoop:Standaard garantie. Niet-menselijke schade = gratis reparatie/onderdelen. Technische hotline = beantwoordt altijd vragen over installatie/gebruik.


double-acting telescopic hydraulic cylinders

VI. Samenwerkingsvoordelen: eenvoudige wereldwijde deals


HCIC = professionele hydraulische cilinderfabriek. Goed om mee te werken voor wereldwijde klanten.


• Prijsvoordeel:Fabriek direct. Geen tussenpersonen. Bespaar kosten. Bulkbestellingen = betere kortingen.

• Buitenlandse handelssteun:Meertalige documenten. Douanecodetips. Hulp bij aangiftepapieren. Grensoverschrijdend kopen = soepel.


VII.Neem contact met ons op:

HCIC is een professionele fabrikant van hydraulische systemen, die zich voornamelijk bezighoudt met het ontwerp, de fabricage, de installatie, de transformatie, de inbedrijfstelling en de verkoop van merken en technische diensten voor hydraulische componenten. We hopen dat ons product u kan helpen uw kosten te besparen en uw kwaliteit te verbeteren.Voor meer details kunt u ons een e-mail sturen naar "davidsong@mail.huachen.cc" of google zoeken naar "HCIC hydraulisch"


Hottags: S64DB-12-135, Fabrikanten, Leveranciers, Groothandel, Aangepast, Op voorraad, Geweigerde vrachtwagen, China, Sneeuwploeg

Gerelateerde categorie

Stuur onderzoek

Stel gerust uw vraag via onderstaand formulier. Wij zullen u binnen 24 uur antwoorden.
X
We gebruiken cookies om u een betere browse-ervaring te bieden, het siteverkeer te analyseren en de inhoud te personaliseren. Door deze site te gebruiken, gaat u akkoord met ons gebruik van cookies. Privacybeleid
Afwijzen Accepteren